
| Engine_2014 : General Subjects - 3061/3524 |
|---|
| « Previous Question |
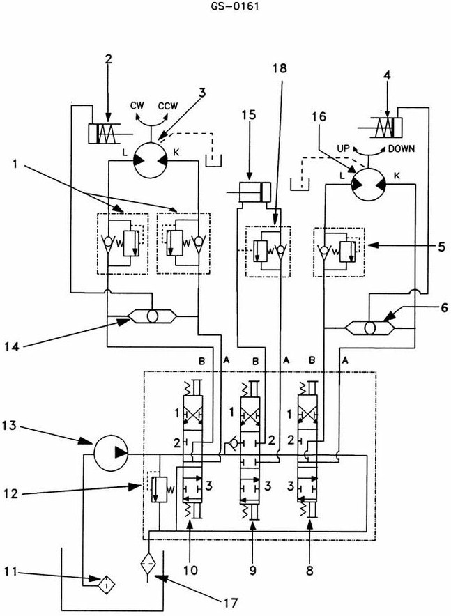
| The wire rope drum used in the illustrated hydraulic crane circuit is prevented from accidentally paying out by __________. |
| A) slightly shifting the hoist valve into position "I" to hold the load in a steady position |
| B) the installation of a braking valve in line "K" to the hydraulic motor |
| C) the use of a spring set, electric solenoid released brake |
| D) components labeled 4 and 5 |
loading answer...
Illustration GS-0161
| Comments |
|---|
| There are no comments for this question. |
