
| Engine_2014 : Electricity - 476/2299 |
|---|
| « Previous Question |
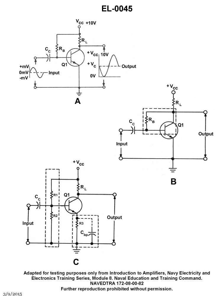
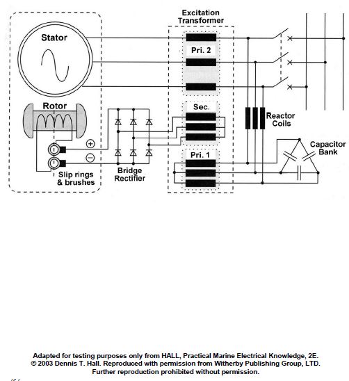
| As shown in the illustrated DC machine which is configured as a generator, what type of machine is illustrated in terms of the configuration of the windings? |
| A) series wound |
| B) differentially compound wound |
| C) cumulatively compound wound |
| D) shunt wound |
loading answer...
Illustration EL-0045
| Comments |
|---|
| There are no comments for this question. |
