
Engine_2014 : Motor Plants and Auxiliary Boilers - 2581/2614 |
---|
« Previous Question |
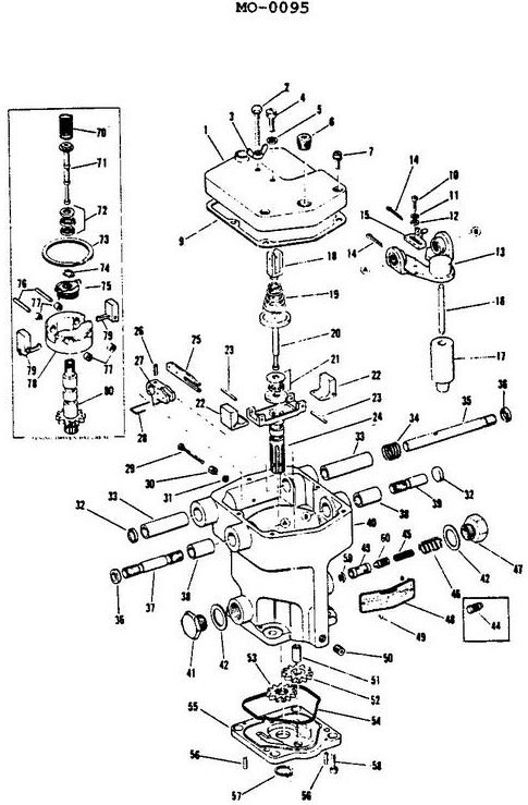
Which of the springs shown in the illustration, will have its output force controlled by the movement of a speed control shaft, and the engine speed setting will in turn be proportional to the amount of compression exerted on the spring? |
A) 19 |
B) 34 |
C) 46 |
D) 50 |
loading answer...
Illustration MO-0095
Comments |
---|
There are no comments for this question. |