
| Engine_2014 : General Subjects - 2055/3524 |
|---|
| « Previous Question |
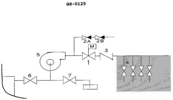
| As flowing through the valves labeled "26" and "34" in the illustrated refrigeration plant schematic diagram, what is the status of the refrigerant? |
| A) low pressure gas |
| B) low pressure liquid |
| C) high pressure gas |
| D) high pressure liquid |
loading answer...
Illustration GS-0125
| Comments |
|---|
| mannylittle5 - 2019-04-26 07:35:56 Member (131) |
| Cant find pic ANY WERE answer D high presser liquid |
| WesternMEarcher - 2016-09-23 20:55:46 Member (1) |
| Possibly the wrong drawing? There is no 26 and 34 |
